


Редуктор 2Ч40 - 40 - 52
У компанії підключені електронні платежі. Тепер ви можете купити будь-який товар не покидаючи сайту.Пропонуємо придбати редуктор 2ч-40-40-52 українського виробництва. Це агрегат черв'ячного типу, тому він може похвалитися широкими функціональними можливостями і ефективністю в роботі при збільшенні крутного моменту. Такі редуктори сьогодні вважаються одними з самих затребуваних у промисловій діяльності. Реалізуємо продукцію від перевірених виробників і гарантуємо її відповідність заявленим характеристикам.
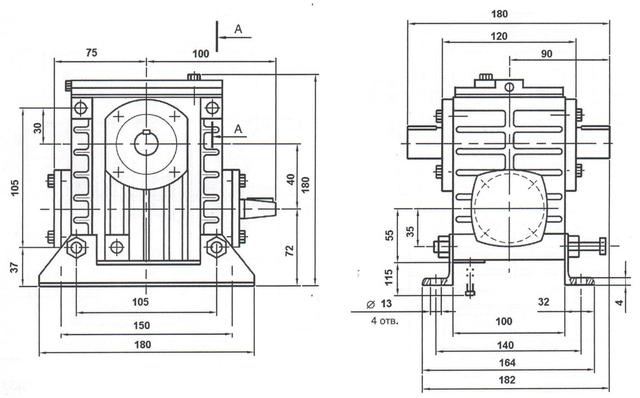
Черв'ячний редуктор 2ч-40-40-52 у будь-якому варіанті складання
-
Виконаний редуктор в алюмінієвому корпусі з литого матеріалу. Він досить компактний, легкий і зручний у транспортуванні.
-
Пристрій відрізняється плавністю ходу і безшумністю, є функція самоторможения, вал може обертатися в обох напрямках.
-
Черв'ячний редуктор стійкий до навантажень. Він поставляється в незаправленому стані, при необхідності ми готові залити масло.
-
Даний агрегат надійний в експлуатації і простий в обслуговуванні. Головне — подбати про ефективне відведення надлишкового тепла.
У нас ви можете замовити черв'ячні редуктори 2ч-40-40-52 у будь-якому варіанті складання. Ми працюємо безпосередньо з виробником, тому гарантуємо ідеальний стан обладнання та відповідність паспортним характеристикам.
| Основні | |
|---|---|
| Дійсне передаточне число | 40 |
| Кількість робочих ступенів | 1 |
| Матеріал корпусу | Алюміній |
| Номінальне передавальне число | 40 |
| Розташування валів редуктора | Горизонтальне |
| Стан | Новий |
| Тип | Редуктор |
| Тип корпусу | Литий |
| Тип редуктора | Черв'ячний |
| Частота обертання вихідного валу | 40 об/хв |
| Користувальницькі характеристики | |
| Тип комплектуючого | Редуктор |
| Передатне число | 80 |
| збірка | 52 |
- Ціна: 3 000 ₴


